BJ Fluid Power

Mon–Sat: 9:00 AM – 6:00 PM IST

Compact Power Packs

Home / Products / Hydraulic Power Packs / Compact Power Packs

Compact Power Packs

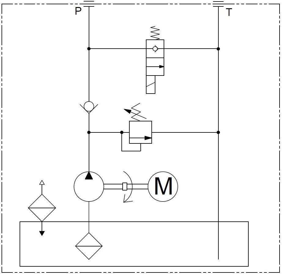
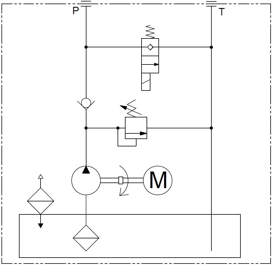
A compact hydraulic power pack allows installation in confined spaces and are intended for use in lifting platforms, small presses, machine tools and vehicles. A compact power pack in hydraulics consists of an electric motor, a pump, a housing and a tank. The aluminium housing forms the supporting part of the compact power pack, to which all main parts including hydraulic components are attached. The function of the compact power pack can be seen from the relevant circuits. By fitting NG04 or NG06 hydraulic valves, the compact units can be the compact units can be converted into complete drive and control units. The standard connection plates for directional control valves have the consumer connections A and B arranged on one side. The compact hydraulic unit can be installed horizontally or vertically. When using rectangular tanks, the installation position is always horizontal.
DescriptionSymbolCodeMotorPump (CC)Pressure (BAR)TankDatasheet .STP
Compact AC
Power Pack
(Single Acting)


CAPP-SASingle Phase upto 3HP
Three Phase upto 5HP
0.19 to 8Upto 2002 to 50 litres
Compact AC
Power Pack
(Double Acting)


CAPP-DASingle Phase upto 3HP
Three Phase upto 5HP
0.19 to 8 Upto 200 2 to 50 litres
Compact DC
Power Pack
(Single Acting)


CDPP-SA12/24/48 V
Upto 4HP
0.19 to 8 Upto 2002 to 50 litres
Compact DC
Power Pack
(Double Acting)


CDPP-DA12/24/48 V
Upto 4HP
0.19 to 8Upto 2002 to 50 litres

Innovative Hydraulic Solutions for Every Industry